Belajar Arduno dengan Shield Multifungsi : Membaca Input Button
Sebelumnya telah dibahas bagaimana menggunakan buzzer pada shield multifungsi dengan menggunakan library PWM pada TimerOne. Kali ini embeddednesia akan mengulas tentang bagaimana menggunakan button pada yang disediakan oleh Shield Multifungsi.
- Prasyarat Perangkat Keras
Diasumsikan pembaca telah memiliki perangkat keras yang ada di daftar berikut. Tautan halaman pembelian juga telah disertakan sebagai rekomendasi jika pembaca belum memiliki perangkat tersebut dan ingin membelinya di toko online terpercaya
- Arduino Uno (klik disini untuk tautan ke halaman pembelian)
- Shield Multifungsi (klik disini untuk tautan ke halaman pembelian)
- Schematics
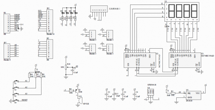
Berikut adalah skematik dari shield multifungsi
Pada konteks sesi tulisan ini tentang push button pembaca dapat memperhatikan bahwa pushbutton di segmen gambar pojok kiri bawah S1, S2, S3 berturut – turut terhubung dengan jalur A1, A2, A3 pada Header 6.
Adverstiment
- Library
Beberapa library yang diperlukan untuk tutorial ini adalah
Cara instalasi library bisa anda pelajari di website resmi Arduino berikut. Pada tulisan ini embeddednesia mengasumsikan bahwa pembaca telah berkenalan dengan arduino sebelumnya, jika anda baru mengetahui dan belum berkenalan dengan arduino, silahkan baca postingan embeddednesia yang sebelumnya
- Program Membaca Button
Berikut adalah program yang berfungsi untuk membaca masukan dari push button lalu mengirimkan datanya melalui serial.
Perhatikan bahwa pada setup(), terdapat 3 inisialisasi
-
- pada baris 7 yang merupakan inisialisasi serial dengan baud rate 9600
- Inisialisasi
TIMER1pada baris 8 - Inisialisasi Shield Multifungsi dengan menggunakan
TIMER1di baris 9
Untuk melihat program library yang tersembunyi, seperti TimerOne dan MultiFuncShield. Programmer dapat membaca source nya di [Sketchbook Location]\libraries
Compile dan Upload program Arduino. Jalankan Serial Monitor dan tekan 3 push button pada shield, perhatikan keluaran yang dihasilkan.
